Concorde เครื่องบินโดยสารความเร็วเหนือเสียงแบบแรกของโลก ผลงานทางวิศวกรรมของเครื่องบินพาณิชย์ที่ประสบความสำเร็จมากที่สุด สร้างสถิติต่างๆทางการบินไว้มากมาย นวัตกรรมและเทคโนโลยีทางการบินที่โด่ดเด่นตลอดจนประวัติความเป็นมาอันยาวนาน นับตั้งแต่วันแรกที่เริ่มบินทดสอบจนถึงวันสุดท้ายที่ขึ้นบินและปลดประจำการ จนถึงทุกวันนี้ ยังคงไม่มีเครื่องบินโดยสารแบบใดมีสมรรถนะเทียบเท่า

ธันวาคม 1956 คณะกรรมการอากาศยานความเร็วเหนือเสียงในอังกฤษ เสนอให้มีการออกแบบและสร้างเครื่องบินโดยสารความเร็วเหนือเสียงพื่อใช้บินใน เส้นทางลอนดอน-นิวยอร์ก และต้องบินด้วยความเร็วไม่ต่ำกว่ามัค 1.8 (1.8 เท่าของความเร็วเสียง) ต่อมาบริษัทอากาศยานบริสตอลและบริษัทฮอว์เกอร์ซิดเดลี่ย์ ทำการทดสอบทางวิศวกรรมการบิน แบบของปีกชนิดต่างๆ ตำแหน่งของเครื่องยนต์ในการติดตั้งและเสถียรภาพในการควบคุม จึงพบว่าปีกแบบสามเหลี่ยมสามารถบินได้ด้วยความเร็วต่ำโดยไม่ต้องใช้ระบบช่วย เพิ่มแรงยกแต่อย่างใดทำให้โครงการ concorde เข้าใกล้ความเป็นจริงมากยิ่งขึ้น

...

29 พฤศจิกายน 1962 บริษัทบริติชแอร์คราฟต์คอร์เปอร์เรชั่นเซ็นสัญญาร่วมกับบริษัท ซุดอาวิอาซิอองของฝรั่งเศล เพื่อร่วมกันพัฒนาโครงการอากาศยานขนส่งความเร็วเหนือเสียง โดยกำหนดให้มีการขึ้นบินทดสอบครั้งแรกในปลายปี 1966 และสร้างเครื่องบินลำแรกให้สำเร็จภายในปี 1968 และทำการบินทดสอบสมถนะเพื่อให้ได้การรับรองความปลอดภัยของสมาพันธ์การบิน นานาชาติ แต่จากความล่าช้าในการพัฒนาทางวิศวกรรมโครงสร้างทำให้ concorde เครื่องต้นแบบสามารถขึ้นบินจริงในปี 1969 และได้รับการรับรองความปลอดภัยในปี 1975 ล่าช้ากว่ากำหนดการเดิมถึง6ปี ต่อมาบริษัท ซุดอาวิอาวิอองของฝรั่งเศลได้เข้าร่วมทุนกับกลุ่มบริษัท ซีลิป และบริษัท นอร์ดอาวิอาซิออง โดยเปลี่ยนชื่อมาเป็นบริษัท แอร์โรสปาซิอาล

การทำงานร่วมกันของของสองบริษัทยักษ์ใหญ่แห่งโลกอากาศยานอย่าง บริติชแอร์คราฟต์และแอร์โรสปาซิอาลทำให้การรวบรวมข้อมูลและความรู้ใหม่ๆ เกี่ยวกับการสร้างเครื่องบินโดยสารที่บินด้วยความเร็วเหนือเสียงประสบความ สำเร็จ โดยมีการนำเอาคอมพิวเตอร์ที่ใช้ในการคำนวนแบบอนาล็อคมาใช้ออกแบบ และทดสอบเครื่องจากแรงที่จะมากระทำต่อลำตัวของเครื่องบินในขณะที่บินด้วย ความเร็วสูง โครงสร้างของเครื่องบิน concorde จะต้องพบกับสภาพความกดอากาศที่ระดับหกหมื่นฟุต และจะต้องเจอกับความร้อนจากการเสียดสีของอากาศกับลำตัวของ concorde ในย่านความเร็วเสียงถึง 127 องศาเซลเซียส เกียร์ลงจอดในระบบกางฐานล้อจะต้องมีระบบย่อยเพื่อรองรับการทำงานที่ผิดพลาด ถึงสี่ระบบเพื่อที่จะคอยแซกแซงการทำงานที่ล้มเหลวในส่วนของเกียร์ลงจอด

ช่วงเช้าของวันที่ 2 มีนาคม 1969 บริเวณรันเวย์ของท่าอากาศยานตูลูส บลาญญัคในฝรั่งเศลเครื่องบินconcorde หมายเลข 001ทะเบียน f-wtss ทะยานขึ้นจากรันเวย์เป็นครั้งแรกเพื่อทำการบินทดสอบขีดจำกัดของตัวเครื่อง ทั้งอัตราความเร็วในการไต่ระดับเพดานบินและความสูงเมื่อบินในระดับความสูง ของการเดินทาง ตลอดจนถึงท่าทางในการบินทั้งหมด ถัดมาหลังจากนั้นในเดือนพฤศจิกายน 1970 เครื่อง concorde หมายเลข 002 ทะเบียน g-bsst เริ่มต้นการการบินทดสอบเหนือเสียงด้วยอัตราความเร็วมากกว่า 2.0 มัค (สองเท่าของความเร็วเสียง) และประสบความสำเร็จในการทดสอบด้วยดี

...

การบินทดสอบไปยังสหรัฐอเมริกาเพื่อทดสอบเส้นทางการบิน ทำให้มียอดการสั่งจองสูงถึง 70ลำสำหรับสายการบินต่างๆที่มีความสนใจ แต่ก็เกิดวิกฤตการณ์น้ำมันขึ้นทั่วโลกในปี 1973 และการตกของเครื่องตูโปเลฟ ตู 114 ในงานแสดงอากาศยานที่ปารีส ทำให้นักบินรวมถึงลูกเรือเสียชีวิตทั้งหมด ตูโปเลฟ ตู 114 ถูกสร้างโดยรัสเซียและมีรูปทรงรวมถึงสมถนะที่คล้ายกับเครื่อง concorde ทำให้การสั่งจองเครื่อง concorde ถูกระงับไปทั้งหมด คงเหลือแต่เพียงสายการบินบริติสแอร์เวย์ และสายการบินแอร์ฟรานซ์เท่านั้นที่ยังคงใช้ concorde ในการให้บริการบนเส้นทางการบิน แม้จะไม่คุ้มทุนแต่ก็เกิดความร่วมมือกันเป็นอย่างดีของทั้งสองประเทศซึ่งต่อ มากลายเป็นการร่วมมือกันก่อตั้งบริษัทผลิตเครื่องบินแอร์บัสขึ้น

...

...

โครงสร้างของ concorde
เครื่องบินโดยสารแบบปกติทั่วๆไปนั้นจะบินอยู่ในระดับความเร็วต่ำกว่าความเร็วเสียง โดยส่วนใหญ่จะใช้ความเร็วประมาณ 850 กิโลเมตรต่อชั่วโมง อุณภูมิที่พื้นผิวของตัวเครื่องจะอยู่ที่ลบ35องศาเซลเซียส เนื่องจากระยะความสูงที่ 30,000-40,000 ฟุตซึ่งเป็นระดับความสูงปกติในเพดานบินสำหรับการเดินทางอุณภูมิภายนอกตัว เครื่องจะเย็นจัดมาก แต่เป็นเรื่องที่กลับกันของการบินในเครื่องบิน concorde ที่มีเพดานบินเดินทางสูงประมาณ 60,000 ฟุตและมีความเร็วกว่า 2330 กิโลเมตรต่อชั่วโมง ความร้อนที่เกิดจากการเสียดสีของลำตัวเครื่องกับอากาศภายนอกเกิดการ เปลี่ยนแปลงของพลังงาน จากพลังงานจลน์กลายเป็นพลังงงานความร้อน ส่วนที่ร้อนที่สุดของ concorde ก็คือบริเวณส่วนหัวของเครื่องบินโดยมีอุณภูมิสูงกว่า 127 องศาเซลเซียส รองลงมาคือบริเวณชายปีกด้านหน้าที่จะโดนความร้อนถึง 105 องศาเซลเซียส จากการทดสอบในอุโมงลมก่อนที่เครื่องต้นแบบจะขึ้นบินเป็นครั้งแรกได้ข้อมูล สำคัญที่จะนำไปใช้ คือความเร็วเดินทางที่เหมาะสมจะอยู่ที่มัค 2.0-2.04 เนื่องจากข้อจำกัดของวัสดุที่จะนำมาสร้าง และในขณะที่ทำการบินด้วยความเร็วเหนือเสียงนัั้น ตัวเครื่องจะสามารถยืดออกได้ถึง 30 เซนติเมตรเนื่องจากความร้อนที่เกิดจากการเสียดสีกับอากาศที่มากระทบต่อพื้น ผิวของเครื่อง concorde นั่นเอง หลังจากทดสอบวัสดุที่จะนำมาใช้เป็นพื้นผิวของ concorde แล้วก็พบว่าอลูมิเนียมนั้นเหมาะสมมากที่สุด ส่วนบริเวณหัวเครื่องที่โดนความร้อนมากที่สุดจะใช้เส้นใยแก้วทนความร้อนผสม กับเรซิน และใช้เหล็กกล้าในบริเวณท่อท้ายของเครื่องยนต์เพื่อความแข็งแกร่งทนทาน

กำลังของเครื่องยนต์
การบินด้วยความเร็วเหนือเสียงของเครื่องบินทุกแบบจะถูกแรงต้านทานมากระทำต่อตัว เครื่องเพิ่มมากขึ้นและต้องใช้เครื่องยนต์ที่มีกำลังมหาศาลในการขับเคลื่อน น้ำหนักที่เพิ่มขึ้นเพียงหนึ่งกิโลกรัมจะต้องใช้น้ำมันเชื้อเพลิงถึงสองกิโลกรัมในการบินด้วยความเร็วเหนือเสียง ดังนั้นหน้าที่ในการหาเครื่องยนต์ที่เหมาะสมให้กับ concorde จึงเป็นการร่วมมือกันระหว่างบริษัท โรลล์-รอยล์จากอังกฤษและบริษัทสเนกม่าจากฝรั่งเศล วิศวกรการบินของทั้งสองบริษัทร่วมมือกันทดสอบเครื่องยนต์เทอร์โบเจ็ตแบบ ต่างๆจนได้พบกับเครื่องยนต์ที่มีความเหมาะสมนั่นก็คือเครื่อง โอลิมปัส 593 จุดเด่นของเครื่องเทอร์โบเจ็ตเครื่องนี้อยู่ที่การติดตั้งท่อท้ายที่สามารถ ปรับได้ และระบบสันดาปท้ายที่ใช้การฉีดน้ำมันเชื้อเพลิงด้วยปั้มแรงดันสูงเข้าสู่ท่อ ท้ายของเครื่องยนต์โดยตรงเพื่อใช้เร่งความเร็วและจะได้แรงขับดันเพิ่มขึ้น ถึง 20% concorde ติดตั้งเครื่องยนต์ โอลิมปัส 593 ถึงสี่เครื่อง โดยที่ปีกแต่ละข้างจะติดตั้งเครื่องยนต์สองตัว ในแต่ละเครื่องจะสามารถสร้างแรงขับดันได้ถึง 32,000 ปอนด์และเมื่อจุดสันดาปท้ายเพื่อเร่งความเร็ว เครื่องโรลล์-รอยล์ สเนกม่า โอลิมปัส 593 จะสามารถผลิตแรงขับดันได้ถึง 38,050 ปอนด์ ซึ่งควบคุมการทำงานของเครื่องยนต์ทั้งระบบด้วยคอมพิวเตอร์ที่เป็นต้นแบบของ ระบบ ฟาเดก (full authority digital engine controller) และระบบ eec (electrical engine control)ที่เครื่องบินโดยสารในยุคปัจจุบันนำระบบนี้มาปรับปรุงและใช้งานใน การควบคุมเครื่องยนต์ ปีกของ concorde ที่ทำการติดตั้งเครื่องยนต์ตัวนี้ ต้องทำการติดตั้งฝาปิด-เปิดแบบพิเศษ( ramp) สองฝาต่อหนึ่งเครื่อง ซึ่งจะทำงานแบบแปรผันไปตามความเร็วขณะกำลังบิน ฝาปิด-เปิดแบบแปรผันนี้ช่วยทำให้อากาศที่เข้าเครื่องยนต์อยู่ในเกณฑ์ที่ วิศวกรกำหนด และช่วยป้องการการหยุดทำงานของชุดอัดอากาศเข้าสู่ห้องเผาไหม้หากอากาศไหล เข้าเครื่องยนต์ในปริมาณที่มากจนเกินไป

อากาศพลศาสตร์ของ concorde
รูปทรงและน้ำหนักรวมถึงปีกเป็นหัวใจในการออกแบบของเครื่องบิน concorde ปีกที่มีรูปสามเหลี่ยมแบบโอจีหรือปีกแบบogical delta wing ที่ผ่านการดีไซน์และทดสอบในอุโมงลมความเร็วสูงถึงว่า300 แบบ หลังจากผ่านขั้นตอนการทดสอบดังกล่าวแล้ววิศวกรการบินของทั้งสองบริษัทพบว่า ปีกแบบสามเหลี่ยมสามารถทำให้เครื่องบินบินด้วยความเร็วถึงมัค 3.0โดยไม่ก่อให้เกิดความเสียหายใดๆอัตราส่วนแรงยกต่อแรงต้านทานลดลงอย่าง รวดเร็วในช่วงความเร็วมัค0.8-1.0และลดลงอย่างช้าๆเมื่อผ่านความเร็วที่มัค 1.0-2.0ซึ่งจะเป็นความเร็วเดินทางปกติของ concorde และเมื่อบวกเข้ากับเครื่องยนต์โรลล์-รอยล์ สเนกม่า โอลิมปัส 593ทำให้ปีกแบบสามเหลี่ยมนี้ให้ประสิทธิ์ภาพโดยรวมเป็นไปตามเกณฑ์ที่วิศวกร คำนวนไว้ คุณสมบัติที่ดีของปีกแบบสามเหลี่ยมคือเมื่อบินแผ่นกำแพงเสียงแล้ว จุดศูนย์กลางของแรงยกจะเคลื่อนผ่านไปอยู่ในบริเวณหลังของตัวปีกและส่งผลให้ แรงยกเคลื่อนที่ตามไปด้วยผลลัพธ์ที่ได้ตามมาคือส่วนหัวของ concorde มีแนวโน้มที่จะลดลงต่ำกว่าเส้นขอบฟ้าในเครื่องบินโดยสารความเร็วต่ำ กว่าเสียงแบบปกติทั่วไปสิ่งที่นักบินจะต้องทำในขณะที่ส่วนหัวลดต่ำลงจากเส้น ขอบฟ้าคือการปรับ trimให้หัวของเครื่องบิน บินอยู่ได้ในระบบปกติแต่การบินด้วยความเร็วสูงกว่ามัค2.0นั้นจะเกิดแรงต้าน มากเสียจนนักบินไม่สามารถทำการปรับ trim แก้อาการนี้ได้วิศวกรการบินจึงแก้ไขปัญหานี้โดยติดตั้งระบบการถ่ายโอนน้ำมัน เชื้อเพลิงและทำให้นักบินสามารถเลื่อนจุดศูนย์กลางของแรงโน้มถ่วงไปยังส่วน หน้าได้พื่อแก้ปัญหาอาการดังกล่าว

ระบบนักบินกล หรือการบินในระบบอัตโนมัติ (autopilot)
ระบบบินด้วยนักบิน กลหรือระบบอัตโนมัติในเครื่อง concorde สามารถทำงานแทนนักบินได้ในทุกแกนโดยระบบนี้จะช่วยในขณะที่บินขึ้นและทำการ ไต่ระดับ บินในระดับเดินทาง และลดระดับเพื่อร่อนลงจอดระบบนี้มีชื่อเรียกสั้นๆว่า afcs ซึ่งประกอบไปด้วยระบบควบคุมการบินอัตโนมัติและระบบปรับแรงขับดันอัตโนมัติ (autopilot / autothrst) โดยระบบการควบคุมพื้นผิวบังคับจะเป็นแบบอนาล็อคฟรายบายวาร์ยซึ่งมีการทำงาน ร่วมกันของระบบไฟฟ้ารวมถึงไฮดรอลิคและมีความคล้ายคลึงกันกับเครื่องบิน โดยสารในยุคปัจจุบันเช่น Airbus 320/330/340/และเครื่องบินโดยสารขนาดยักษ์ Airbus 380, Boeing 777-787 นอกจากระบบนักบินกลแล้ว Concorde ยังมีระบบสำรองเพื่อความปลอดภัยมารองรับอีกชั้นหนึ่งด้วย

ระบบปรับความดันภายในห้องโดยสาร
เมื่อความสูงเพิ่มขึ้นอากาศก็จะยิ่งเบาบางมากขึ้นไปด้วย เครื่องบินโดยสารทั่วไปที่มีระบบปรับความกดอากาศให้ผู้โดยสารสามารถหายใจได้ เป็นปกติจะถูกปรับไว้ในช่วงความสูง 5,000-8,000 ฟุต สำหรับเครื่อง Concorde กระจกของห้องโดยสารจะถูกลดขนาดให้เล็กลง โดยจะมีขนาดเท่ากับกระจกของเครื่องบิน boeing 707 เพื่อต้องการเพิ่มความแข็งแกร่งและลดโอกาสทีี่จะเกิดความเสียหายจาก อุบัติเหตุจนทำให้กระจกแตกระหว่างการบินที่ระดับความสูงกว่า 60,000 ฟุต ซึ่งความสูงในระดับนี้จะเกิดแรงดันทั้งภายนอกและภายในตัวเครื่องถึง 10.7ปอนด์ต่อตารางนิ้ว

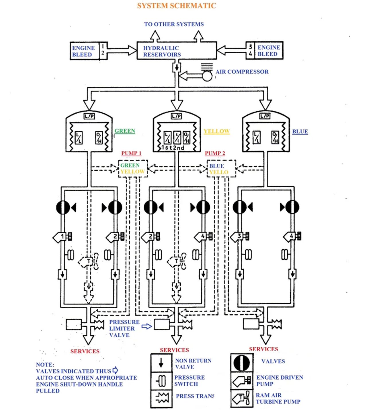
ระบบไฮดรอลิคของ Concorde
ประกอบไปด้วย ระบบหลักสองระบบและระบบสำรองยามฉุกเฉินอีกหนึ่งระบบโดยระบบไฮดรอลิคหลักใช้ ในการบังคับควบคุมท่าทางการบิน การกางล้อและเก็บฐานล้อ ระบบเบรค ระบบการบังคับทิศทางของล้อบริเวณส่วนหน้า(ล้อหัว) ระบบการปรับไวเซ่อร์ที่บริเวณหัวของเครื่องบิน ระบบการปรับรูปแบบของท่อนำอากาศเข้าสู่เครื่องยนต์ และระบบปั้มแรงดันสูงเพื่อถ่ายโอนน้ำมันเชื้อเพลิงให้เข้าและออกในถังปรับ ศูนย์ถ่วงบริเวณท้ายเครื่อง โดยระบบไฮดรอลิคทั้งหมดสามระบบของเครื่อง Concorde ถูกปรับปรุงมาจากระบบไฮดรอลิคของเครื่องบินเดอฮาวิแลนด์โคเม็ตและเครื่องบิน ซุดคาราเวลล์ ซี่งเป็นเครื่องบินโดยสารเครื่องยนต์เทอรโบเจ็ตทั้งสองลำ

การปรับมุมบริเวณส่วนหัวของ Concorde
ปีกสามเหลี่ยมแบบโอจีของ Concorde มีอัตราส่วนการยกต่อแรงต้านทานค่อนข้างน้อยที่ความเร็วต่ำ หากเครื่องบินต้องบินด้วยความเร็วต่ำในช่วงการร่อนลงจอด เครื่องบินจะต้องบินด้วยการเปิดมุมปะทะสูงมาก จนส่วนหัวของเครื่องบดบังทัศนวิสัยของนักบิน (ระหว่างที่ร่อนลงจอด ตำแหน่งที่นั่งของนักบินจะอยู่สูงกว่าส่วนท้ายของตัวเครื่องกว่า 36ฟุตจากการเปิดมุมปะทะที่สูงมาก) ไวเซ่อร์ (visor)ที่ส่วนหัวจึงถูกออกแบบมาเพื่อสามารถปรับลดมุมลงได้ด้วยระบบไฮดรอลิค ในการบินทดสอบเครื่องต้นแบบ ส่วนหัวของตัวเครื่องบินจะสามารถปรับมุมลดลงได้ถึง 17.5 องศาแต่มุมที่หมาะสมสำหรับการปรับส่วนหัวเพื่อเพิ่มทัศนวิสัยของนักบินให้ อยู่ที่มุม 12.5 องศา การร่อนลงจอดของเครื่องบิน Concorde นั้นตัวเครื่องบินจะมีมุมปะทะสูงถึง 22องศา หากนักบินกำลังทำการร่อนลงจอดโดยมีความสูงจากพื้นดิน 100 ฟุต นักบินจะสามารถมองเห็นพื้น หรือระบบไฟบนรันเวย์ในระยะทางประมาณ 500 ฟุตท่านั้นเนื่องจากส่วนหัวของเครื่องบดบังการมองเห็นแม้นักบินจะทำการปรับ ไวเซ่อร์ช่วยแล้วก็ตาม นักบินที่บินกับเครื่อง Concorde ทุกนายจะต้องได้รับการฝึกในการปรับเปลี่ยนมุมส่วนหัวให้เกิดความชำนาญ ในสภาพการร่อนลงจอดที่จะแตกต่างไปจากเครื่องบินโดยสารแบบปกติก่อนที่จะขึ้น บินจริงกับเครื่อง Concorde

เทคโนโลยีการเดินอากาศอันทันสมัยมากมาย ถูกคิดค้นและบรรจุเข้าไปในเครื่องบิน Concorde ไม่ว่าจะเป็นปีกแบบโอจีสามเหลี่ยม ระบบแอนตี้สกิตของล้อทั้งหมดที่เป็นต้นแบบของเครื่องบินในยุคต่อมา (คล้ายระบบ absในรถยนต์) เครื่องยนต์เทอร์โบเจ็ตพละกำลังมหาศาลของ โรลล์รอยล์ สเนกม่า โอลิมปัส 593 ระบบฟรายบายวาร์ยและทรัสบายวาร์ย ซึ่งทั้งหมดที่กล่าวถึงนี้ถูกนำมาพัฒนาและติดตั้งลงในเครื่องบินโดยสารยุค ใหม่แทบทั้งหมด

Concorde ถูกสร้างขึ้นมาทั้งหมดเพียง 20 ลำเท่านั้น เครื่องต้นแบบ 6 ลำถูกใช้ในภารกิจการบินเพื่อการวิจัยและทดสอบสมถนะของโครงสร้างและอากาส พลศาสตร์ ส่วนอีก 14 ลำถูกสร้างขึ้นเพื่อบินในเชิงพาณิชย์ โดยมีเพียงสายการบินบริติชแอร์เวย์และสายกาารบินแอร์ฟรานซ์เท่านั้นที่ใช้ Concorde บินรับส่งผู้โดยสาย เส้นทางการบินของ Concorde ที่อยู่ในสายการบินบริติชแอร์เวย์และแอร์ฟรานซ์คือจากท่าอากาศยานฮีตโทรว์ หรือสนามบิน ชาร์ล เดอร์โกลไปยังท่าอากาศยานจอห์นเอฟเคนเนดี้ นิวยอร์ก, ท่าอากาศยานดัลลัส วอชิงตัน ดีซี เครื่อง Concorde ยังเปิดให้บริการเที่ยวบินแบบเช่าเหมาลำไปรอบโลก รวมถึงการบินตามเงาของดวงอาทิตย์ในขณะที่เกิดปรากฏการณ์สุริยุปราคาด้วย ความเร็วสูงสุดเพื่อให้ผู้โดยสารได้ชมปรากฏการณ์สุริยุปราคายาวนานมากยิ่งขึ้นในเที่ยวบินพิเศษ

วันอังคารที่ 25 กรกฏาคม คศ 2000 เวลา 16.44 นาฬิกาตามเวลาท้องถิ่งของประเทศฝรั่งเศล เครื่องบิน Concorde ของสารการบินแอร์ฟรานซ์หมายเลขทะเบียน F-BSC เที่ยวบินที่ AFR4590 มีสถานีต้นทางที่สนามบินนานาชาติชาร์ลเดอโกลไปยังสถานีปลายทางที่ท่าอากาศ ยานจอห์นเอฟ เคนเนดี้ ใช้ทางวิ่งขึ้นในรัยเวย์หมายเลข 26 ในช่วงที่กำลังวิ่งขึ้น(เครื่อง Concorde ใช้ความเร็วในการบินขึ้นกว่า320กิโลเมตรต่อชั่วโมง) ล้อของเครื่อง Concorde ได้วิ่งไปทับเศษอลูมีเนียมความยาวประมาณฟุตเศษที่หลุดออกจากเครื่อง DC-10 ที่ได้ทำการบินขึ้นไปก่อนหน้านี้ เศษอลูมิเนียมดังกล่าวทำให้ยางของฐานล้อใต้ปีกซ้ายของเครื่อง Concorde ระเบิดและเศษชิ้นส่วนของยางที่ระเบิดไปกระแทกเข้ากับปีกซ้ายซึ่งตรงกับตำแหน่งของถังเชื้อเพลิงหมายเลข 5

ความรุนแรงของการกระแทกส่งผลให้ถังเชื้อเพลิงแตกและมีเชื้อเพลิงจำนวนมาก รั่วออกมาฟุ้งกระจายและติดไฟ เครื่องยนต์หมายเลข1และ2ได้รับความร้อนจากเพลิงไหม้จนทำงานผิดปกติทั้งสอง เครื่อง เครื่องบิน Concorde บินขึ้นทั้งๆที่มีเพลิงลุกไหม้ที่ส่วนท้ายของปีกซ้ายทำให้โครงสร้างในบริเวณ นั้นได้รับความเสียหาย นักบินไม่สามารถทำการเก็บฐานล้อได้เนื่องจากประตูของฐานล้อซ้ายไม่ทำงาน กัปตันคริสติยอง มาร์ตี (christian marty) พยายามบังคับเครื่องเพื่อไปลงที่ท่าอากาศยานเลอบูเก้ซึ่งอยู่ใกล้กับท่า อากาศยานชาร์ลเดอโกมากที่สุด เครื่องยนต์หมายเลข1และ 2 สูญเสียกำลังในที่สุดเนื่องจากเพลิงไหม้ เครื่อง Concorde เชิดหัวสูงขึ้นและเอียง เนื่องจากแรงขับของเครื่องยนต์ทั้งสี่ไม่สมดุลกัน หลังจากนั้นไม่กี่วินาทีเครื่องยนต์หมายเลข 3-4 ก็มีกำลังลดลงอย่างรวดเร็วจากท่าทางการบินที่ผิดปกติ ทำให้อากาศเข้าสู่เครื่องยนต์น้อยเกินไป Concorde ตกกระแทกเข้ากับพื้นดินอย่างรุนแรงและชนเข้าไปในอาคารขนาดเล็กที่ใช้เป็น โรงแรม กัปตัน ลูกเรือและผู้โดยสารเสียชีวิตทั้งหมด 109 คน และทำให้มีผู้เสียชีวิตบนพื้นอีก 4 คน

จากเหตุการณ์เลวร้ายที่เกิดขึ้นกับเครื่องบิน Concorde เพียงลำเดียวจากจำนวนทั้งหมด 20 ลำ (ซึ่งสาเหตุของอุบัติเหตุที่เกิดขึ้นในครั้งนี้ไม่เกี่ยวข้องกับความบกพร่อง ล้มเหลวของระบบ หรือพบว่ามีความผิดพลาดใดๆกับตัวโครงสร้างและเครื่องยนต์ของมันทั้งสิ้น) ประกอบกับตัวเครื่องบินที่เหลืออยู่มีอายุการใช้งานยาวนานกว่า 30 ปี การบูรณะปรับปรุงโครงสร้างของเครื่องที่เหลืออยู่จะต้องใช้งบประมาณมหาศาล และปัญหาราคาน้ำมันเชื้อเพลิงทำให้สายการบินทั้งสองจำเป็นต้องยุติเส้นทางการบินทั้งหมดและปลดระวางเครื่อง Concorde ทั้งหมดลงให้กลายเป็นเพียงตำนานแห่งความเร็วของการเดินทางบนอากาศ

วันที่ 26 พฤศจิกายน 2003 เครื่องบิน Concorde เที่ยวบินสุดท้ายของสายการบินบริติชแอร์เวย์ บินขึ้นจากสนามบินฮีตโทรว์แล้วเข้าร่วมบินแบบเกาะหมู่กับฝูงบิน Red Arrows เพื่อทำการบินเป็นครั้งสุดท้ายไปยังสนามบินบริสตอล เครื่องConcorde และฝูงบิน Red Arrows บินวนในระดับต่ำบริเวณพื้นที่ทางตอนเหนือของลอนดอนเพื่อให้ผู้ชม มองเห็นมันในวาระสุดท้ายของการเดินทางโดยมีเครื่องบินขับไล่รุ่น British Aerospace Hawk ของฝูงบิน Red Arrows จำนวน 9 ลำบินแปรขบวนอย่างสวยงามอยู่เคียงข้างเครื่อง Concorde โดยมีท้องฟ้าสีครามสดใสในวันสุดท้ายของการสิ้นสุดเส้นทางอันยาวนานและจะเป็น ประวัติศาสตร์ของวงการบินพาณิชย์ตลอดไป

CONCORDE (1975-2004) SPECIFICATIONS
ประเภท: เจ๊ตโดยสารความเร็วเหนือเสียง นักบิน 2 คน เจ้าหน้าที่นำร่อง 1 คน พนักงานต้อนรับ 4 คน อัตราผู้โดยสาร 128 ที่นั่ง
เครื่องยนต์: เทอร์โบเจ๊ต โรลล์-รอยล์/สเนกม่า โอลิมปัส 593 หมายเลขรหัส mk 610 ให้แรงขับเครื่องละ 32,000 ปอนด์ และเพิ่มแรงขับอีก 20% เป็น 38,050 ปอนด์ เมื่อใช้การจุดสันดาปท้าย จำนวน 4 เครื่อง พร้อมเครื่องเก็บเสียง ฝาปิดเปิดแบบพิเศษ (ramp) และ อุปกรณ์กลับแรงขับ
ความเร็วสูงสุด มัค 2.04 (2,333 กิโลเมตรต่อชั่วโมง)
พิศัยบิน 7,250 กิโลเมตร
เพดานบินสูงสุด 60,000 ฟุต
อัตราการใช้เชื้อเพลิง 13.2 กิโลกรัม ต่อหนึ่งกิโลเมตร
กางปีก 25.60 เมตร
ยาว 62.17 เมตร
สูง 12.19 เมตร
พื้นที่ปีก 358.25 ตารางเมตร
น้ำหนักเปล่า 78,700 กิโลกรัม
น้ำหนักบรรทุกปกติ 11,340 กิโลกรัม
น้ำหนักบรรทุกสูงสุด 12,700 กิโลกรัม
น้ำหนักวิ่งขึ้นสูงสุด 185,065 กิโลกรัม
น้ำหนักร่อนลงสูงสุด 111,130 กิโลกรัม
อัตราเร็วเดินทางขั้นสูง 2.04 มัค (2,333กิโลเมตร/ชั่วโมง)
อัตราไต่ที่ระดับน้ำทะเล 1,525 เมตร
อัตราเร็ววิ่งขึ้น 397 กิโลเมตร/ชั่วโมง
อัตราเร็วร่อนลง 300 กิโลเมตร/ชั่วโมง
ระยะทางวิ่งขึ้นพ้น 10.7 เมตร: 3,410 เมตร
ระยะทางร่อนลงจาก 10.7 เมตร: 2,220 เมตร

เอกสารอ้างอิง -the aerospace magazine july 2007

อาคม รวมสุวรรณ
E-Mail chang.arcom@thairath.co.th 
Facebook https://www.facebook.com/chang.arcom 
https://www.facebook.com/ARCOM-CHANG-Thairath-Online-525369247505358/